剎車盤加工工藝和設備的選擇(下)
2023-2-10 15:19:36 點擊:
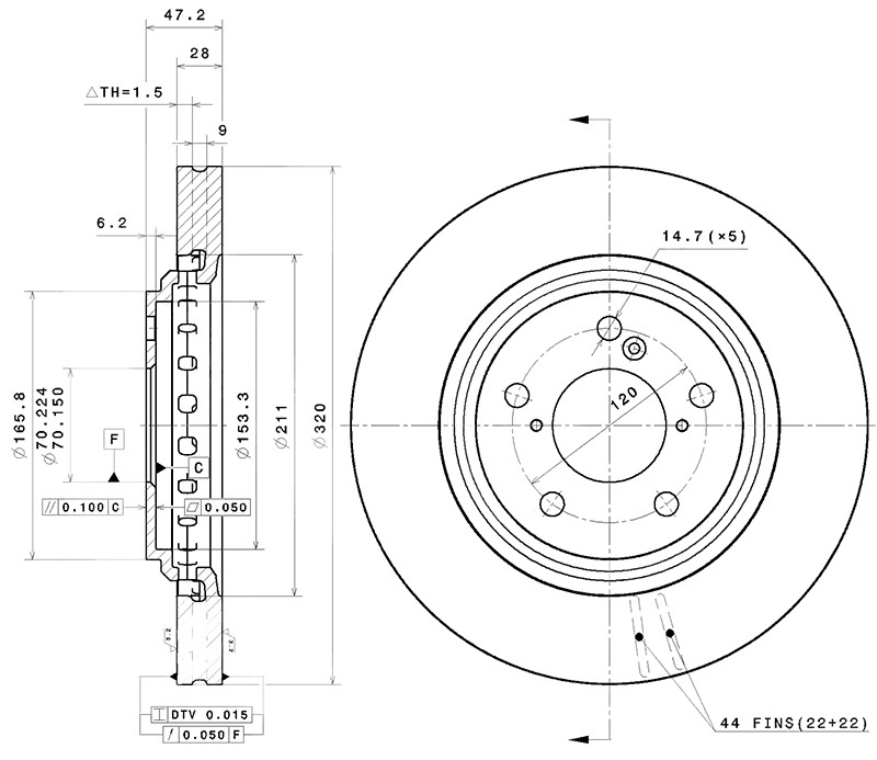
書接上文。之前的文章里,我們講了剎車盤的結構類型和加工工藝,接下來就說一下加工剎車盤的工藝流程和設備的選擇。這里我們以盤面直徑320mm的剎車盤為例(見圖6)介紹其工藝流程。
1.剎車盤粗車工序
以剎車盤大端面為粗基準,軸向定位,夾通風槽,粗精車安裝法蘭面及安裝孔,粗車剎車面。為保證兩剎車面厚度相等,采用了夾通風槽的特殊工裝,這樣使得剎車面厚度均勻,受熱及散熱速率一致,防止在剎車時產生的髙溫狀態下變形不均,影響制動效果。剎車盤數控立車加工剎車盤時的實際裝夾方式如圖7所示。
2.剎車盤精車工序
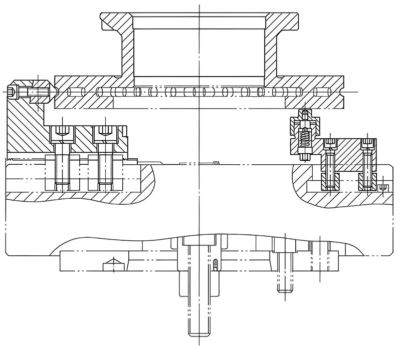
以小端安裝法蘭端面為基準,實現軸向定位,夾具撐內孔,粗精車大端內孔及外圓,夾刀同時精車兩剎車面。本序重點保證兩處剎車面的平行度及平面度要求,為減小單刀切削時因切削力集中引起的工件變形,采用上下雙刀同時切削端面的工藝,實現兩處剎車面的平行度要求,由于上下兩刀產生的切削力相互抵消,可大幅提高加工精度,減少變形量。本例中的夾刀裝置相當于在滑板左側增加了一個W軸,由單獨的進給系統驅動,使用時夾具裝置上的刀夾下移參與切削,使用結束后收起到刀盤上方,以防刀盤轉位時發生干涉,如圖8所示。
基于汽車剎車盤的結構類型和制造工藝進行分析研究,通過使用剎車盤數控立車雙刀車削的方法,能夠解決剎車面的尺寸精度和幾何公差難題,以此建立的剎車盤自動生產線可大幅提高生產效率。
3.剎車盤磨花工序
剎車盤雙端面磨削的方式,只是針對剎車盤的表面紋路進行磨花,產生交叉的網紋。此種先車后磨一次磨削成型的工藝是建立在車床的基礎上加上剎車盤磨花裝置而成,剎車盤的端面精度也基本上是車削的精度。
剎車盤加工設備的選擇
如上述的3道工序,工序1和工序2都可以用剎車盤數控立車(LYV-500和LYV-SD500)來完成;工序2和工序3,可以用剎車盤車磨一體機(CMFK-L450和CMFK-LS500)來完成。當然,也可以根據實際需求和組線方案選擇專機專用,這樣可以只用剎車盤數控立車來完成剎車盤粗車工序,用剎車盤精車機床(LYV-S450)來完成剎車盤精車加工,用剎車盤精磨機床(LYV-M450)來完成最后的剎車盤磨削加工。
圖6 剎車盤圖樣
1.剎車盤粗車工序
以剎車盤大端面為粗基準,軸向定位,夾通風槽,粗精車安裝法蘭面及安裝孔,粗車剎車面。為保證兩剎車面厚度相等,采用了夾通風槽的特殊工裝,這樣使得剎車面厚度均勻,受熱及散熱速率一致,防止在剎車時產生的髙溫狀態下變形不均,影響制動效果。剎車盤數控立車加工剎車盤時的實際裝夾方式如圖7所示。
圖7 剎車盤裝夾方式
2.剎車盤精車工序
以小端安裝法蘭端面為基準,實現軸向定位,夾具撐內孔,粗精車大端內孔及外圓,夾刀同時精車兩剎車面。本序重點保證兩處剎車面的平行度及平面度要求,為減小單刀切削時因切削力集中引起的工件變形,采用上下雙刀同時切削端面的工藝,實現兩處剎車面的平行度要求,由于上下兩刀產生的切削力相互抵消,可大幅提高加工精度,減少變形量。本例中的夾刀裝置相當于在滑板左側增加了一個W軸,由單獨的進給系統驅動,使用時夾具裝置上的刀夾下移參與切削,使用結束后收起到刀盤上方,以防刀盤轉位時發生干涉,如圖8所示。
圖8 剎車盤夾具
基于汽車剎車盤的結構類型和制造工藝進行分析研究,通過使用剎車盤數控立車雙刀車削的方法,能夠解決剎車面的尺寸精度和幾何公差難題,以此建立的剎車盤自動生產線可大幅提高生產效率。
3.剎車盤磨花工序
剎車盤雙端面磨削的方式,只是針對剎車盤的表面紋路進行磨花,產生交叉的網紋。此種先車后磨一次磨削成型的工藝是建立在車床的基礎上加上剎車盤磨花裝置而成,剎車盤的端面精度也基本上是車削的精度。
圖9 剎車盤雙端面磨削加工
剎車盤加工設備的選擇
如上述的3道工序,工序1和工序2都可以用剎車盤數控立車(LYV-500和LYV-SD500)來完成;工序2和工序3,可以用剎車盤車磨一體機(CMFK-L450和CMFK-LS500)來完成。當然,也可以根據實際需求和組線方案選擇專機專用,這樣可以只用剎車盤數控立車來完成剎車盤粗車工序,用剎車盤精車機床(LYV-S450)來完成剎車盤精車加工,用剎車盤精磨機床(LYV-M450)來完成最后的剎車盤磨削加工。
圖10 各種剎車盤加工設備
- 上一篇:卡車上能用剎車盤代替剎車鼓嗎? 2023/2/17
- 下一篇:2012上海科隆五金展/2012中國國際五金展參展信息 2013/10/22

